ノナカ金物店
★★★★★ 5.0(399件)
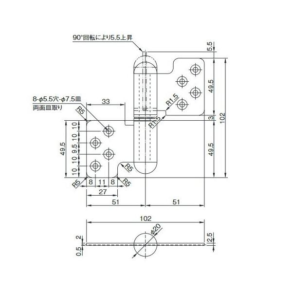
ACEグレビティヒンジ トイレ扉用せり上がるタイプの蝶番(丁番)上框用×1、下框用×1、外開き用裏板×2、ネジ、説明書一式 メール便OK!985-105

ACEグレビティヒンジ トイレ扉用せり上がるタイプの蝶番(丁番)上框用×1、下框用×1、外開き用裏板×2、ネジ、説明書一式 メール便OK!985-105

トイレの扉にご使用いただけます。
せり上がるタイプの丁番です。
軸の樹脂部品を差し替えると、開く角度や、内開き外開きの設定が簡単に変えられます。
開放式または自閉式にすることができます。

1個のご注文で、上框用×1、下框用×1、外開き用裏板×2、ネジ、説明書一式となります。

[本体重量]製品全体で347g
[付属品]SUS十字穴付皿タッピンネジ A3.5×25:8本
[材質]SUS304・ナイロン・ポリアセタール・ポリプロピレン・SUS
[仕上]ヘアーライン

【ご注意】扉がせり上がるため、その分のスペースが必要です。現場の状況により戸じゃくりを広げる必要も出てきます。

工務店、建設会社、プロの建具屋向けの製品です。

杉田エース/ACEの製品です。

ノナカ金物店 人気ランキング

もっと見る

最近チェックした商品