ネジのトミモリ
★★★★★ 5.0(622件)
ネコポス配送(自宅ポスト投函)可能!
鉄/ニッケル (+)ナベセムス [P=1] M2 (太さ=2mm)×長さ=5mm 【 バラ売り : 10本入り 】

鉄/ニッケル (+)ナベセムス [P=1] M2 (太さ=2mm)×長さ=5mm 【 バラ売り : 10本入り 】

★商品画像の注意事項★---
・形状はほぼ同等ですが、以下が異なります。
  サイズ
  ねじ山のある部分の長さ
  ピッチ (ねじ山の間隔)
・刻印について
  サイズによって異なる場合があります
  予告なく変更される場合があります
・ディスプレイにより実際の色合いと異なる場合があります。


■商品概要------------------------------
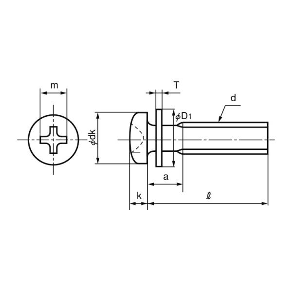
 頭部形状  : ナベ P=1 (+)
 ねじ部形状 : 並目 [ピッチ=0.4mm]

 材 質    : 鉄
 メッキ処理 : ニッケル

 サイズ : M2 × 5
        [太さ=2mm × 長さ=5mm]
 工具穴 : #1

ネジのトミモリ 人気ランキング

もっと見る

ネジのトミモリ 商品一覧

もっと見る

最近チェックした商品